MAK 100×42 DF Design

100’lük, düz, çift yönlü, asansörlü, çelik şömine haznesi.

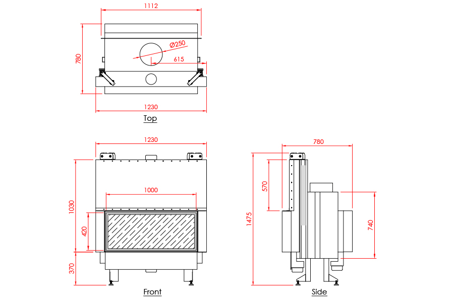
  • Cam ölçüsü: 100,0 x 42,0 cm (GxY)
  • Nominal ısıtma kapasitesi: 11,5 kW
  • Verimlilik: % 78,0
  • Design tasarım lento çerçeve
  • İnce kapak çerçevesi
  • Tam kontrollü yanış havası
  • İkinci yanma sistemi (secondary combustion)
PAYLAŞ

Teknik Bilgiler

MAK 100×42 DF Design

100’lük, düz, çift yönlü, asansörlü, çelik şömine haznesi.

  • Genel ölçüler: 123,0 x 78,0 x 147,5 cm (GxDxY)
  • Cam ölçüsü: 100,0 x 42,0 cm (GxY)
  • Design tasarım lento çerçeve
  • İnce kapak çerçevesi
  • Tam kontrollü yanış havası
  • İkinci yanma sistemi (secondary combustion)
  • Vermikulit yanma odası
  • Nominal ısıtma kapasitesi: 11,5 kW
  • Isıtma alanı: 120 m2
  • Baca türü: atmosferik
  • Baca çapı: 250 mm
  • Yakıt tüketimi: 4,5 kg/h
  • Verimlilik: % 78,0
  • Enerji sınıfı: A
  • Ağırlık: 295 kg
  • Design kapak kolu
  • Cam temizliği için yana açılır kapak

Teknik Dökümanlar

MAK 100×42 DF Design

Design Serisi

Teklif İste

ALIŞVERİŞ SEPETİ 0